Турбина TD05 18G Subaru 4040518
Турбина TD05 20G Subaru 4040520
Турбина TD05 20GXR Subaru шарикоподшипниковая 4040520XR Нет в наличии
Турбина TD05 HR Evo 7-8-9 404011HR
Турбина Toyota 1JZ-GTE в штатное место (Tomei M8280) 408280
Турбина VX G30-900 A/R.83 T3+V-band 4030900T3
Турбина VX G30-900 A/R.83 V-band 4030900V
Турбина VX G35-1050 A/R.83 V-band 40351050V
Турбина VX G35-1050 A/R.83 Т3+V-band 40351050T3
Турбина VX GTX3071R AR82 ген II 403071R60082
Турбина VX GTX3076R AR63 ген II 403076R60063
Турбина VX GTX3076R AR82 ген II 403076R60082
Турбина VX GTX3582R AR1.06 ген II 403582R72106
Установочный набор для турбин Subaru tuf-008
Фланец горячей части турбины (на выхлоп) GT2860R rv1 сталь vif-010 Нет в наличии
Фланец горячей части турбины (на выхлоп) GT2860RS rsv1 сталь vif-008 Нет в наличии
Фланец горячей части турбины (на выхлоп) GT3071R сталь vif-007 Нет в наличии
Фланец для вварки HKS bof100
Фланец для установки блоу-оффа Greddy на BMW N54 335 335IS bof007
Фланец для установки блоу-оффа HKS на BMW N54 335, 335IS bod107
Фланец на подачу масла с рестриктром AN4-T3/T4 tuf-010 Нет в наличии
Фланец на слив масла AN10-T3/T4, 3037 tuf-002 Нет в наличии
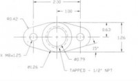
Фланец на слив масла GT28, 30, 35 - 1/2 мама TP3402 Нет в наличии
Фланец на слив масла T3 -1/2 мама TP3401
Фланец на слив масла T3/T4, 3037, T04e - 16 мм tuf-006
Фланец на слив масла на блок 1-2JZ 20мм tuf-103
Фланец на слив масла на блок 1-2JZ AN10 tuf-102
Фланец под MAP VAG Jetta Audi A4 Golf 1.8T 98-05 bof010
Фланец с пайпом под блоу-офф HKS (51мм) bod101 51mm Нет в наличии
Фланец с пайпом под блоу-офф HKS (57мм) bod101 57mm